Работаем с юридическими лицами, бюджетными организациями, ИП
По вопросам приобретения товара пишите на info@chiply.ru
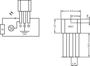
| Type | H501 |
| Min. operating voltage | 3.8 |
| Max. operating voltage | 24 |
| Operating voltage | 3.8 - 24 V DC |
| Connector | Soldering |
| Enclosure | TO-92-UA |
| Type | THT |
| Reading range (min.) | +4 |
| Reading range (max.) | +35 |
| Reading range | +4 - +35 mT |
| Switching current (max.) | 20 |
| Min. temperature | -40 |
| Max. temperature | +85 |
| Length | 18.1 |
| Width | 4.1 |
| Height | 1.5 |
| Dim | (L x W x H) 18.1 x 4.1 x 1.5 mm |
| Type | Unipolar Hall switches |
| Switching frequency | 10 |
| Switching current | 20 |
| Type | H501 = U58 ... = HAL506PA |
| Temperature range | -40 – +140 ºC |
| Casing | TO 92 UA |
| Operating voltage | 3.8 - 24 |
| Product type | Hall effect sensor |
Наш менеджер свяжется с вами в ближайшее время