Работаем с юридическими лицами, бюджетными организациями, ИП
По вопросам приобретения товара пишите на info@chiply.ru
Оплата по безналичному расчету согласно выставленному счету
Самовывоз - бесплатно, от 300руб. до пункта выдачи в Вашем городе, доставка от 500руб. "до двери"
InterfacesTerminals
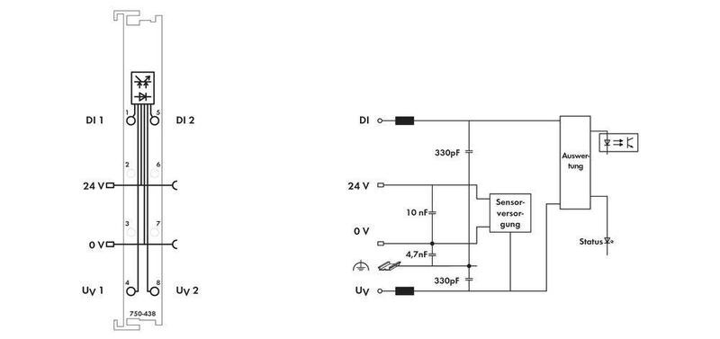
Type750-438
No. of inputs (max.)2
Operating voltage24
Height64
Length100
Width24
Max. ambient temperature+55
Min. ambient temperature0
Dim(L x W x H) 100 x 24 x 64 mm
Manufacturer part #750-438
Weight48.5
Product typePLC input card
Наш менеджер свяжется с вами в ближайшее время