Работаем с юридическими лицами, бюджетными организациями, ИП
По вопросам приобретения товара пишите на info@chiply.ru
Оплата по безналичному расчету согласно выставленному счету
Самовывоз - бесплатно, от 300руб. до пункта выдачи в Вашем городе, доставка от 500руб. "до двери"
InterfacesTerminals
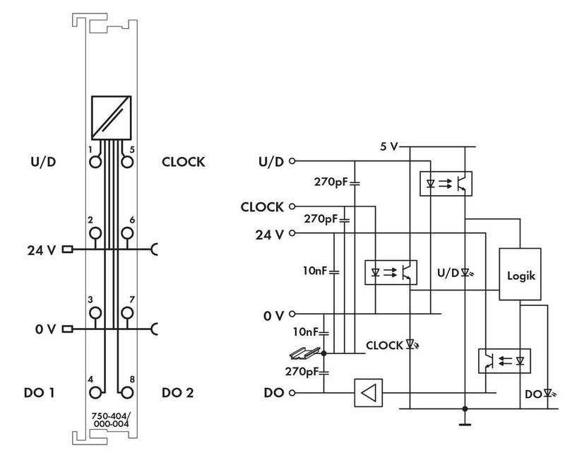
Type750-404/000-004
No. of inputs (max.)1
No. of outputs (max.)2
Operating voltage24
Height64
Length100
Width12
Max. ambient temperature+55
Min. ambient temperature0
Dim(L x W x H) 100 x 12 x 64 mm
Manufacturer part #750-404/000-004
Weight50
Product typePLC counter
Наш менеджер свяжется с вами в ближайшее время