Работаем с юридическими лицами, бюджетными организациями, ИП
По вопросам приобретения товара пишите на info@chiply.ru
| Type | 3VA6140-5HL31-2AA0 |
| Amperage adjustment range (min.) | 16 |
| Amperage adjustment range (max.) | 40 |
| Adjustment range (amperage) | 16 - 40 A |
| No. of pins | 3-pin |
| Switching voltage (max.) | 600 |
| Mounting type | Fixed |
| Min. temperature | -25 |
| Max. temperature | +70 |
| Breaking capacity rating | M |
| OCR type | ETU320 |
| IP rating | IP40 |
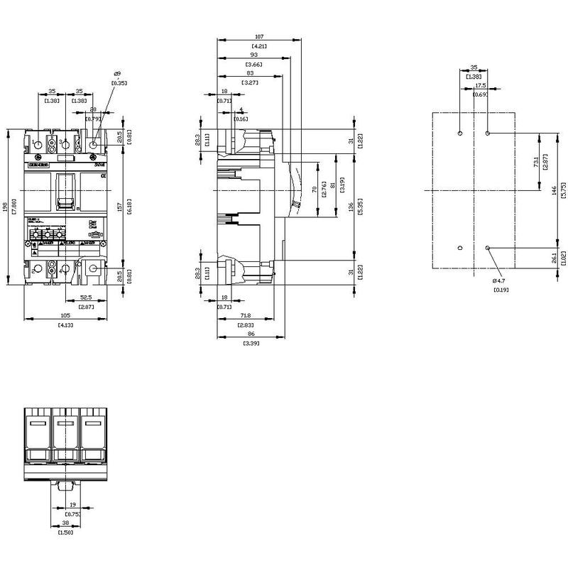
| Depth | 86 |
| Width | 105 |
| Height | 198 |
| Dim | (W x H x D) 105 x 198 x 86 mm |
| Content | 1 |
| RoHS-compliant | Yes |
| Number of auxiliary contacts as normally open contact | 0 |
| Number of auxiliary contacts as normally closed contact | 0 |
| Rated permanent current Iu | 40 |
| Number of poles | 3 |
| Overload release current setting | 15-40 |
| Number of auxiliary contacts as change-over contact | 0 |
| Rated voltage | 600-600 |
| Rated short-circuit breaking capacity lcu at 400 V, 50 Hz | 55 |
| Adjustment range undelayed short-circuit release | 60-480 |
| Product type | Circuit breaker |
Наш менеджер свяжется с вами в ближайшее время