Работаем с юридическими лицами, бюджетными организациями, ИП
По вопросам приобретения товара пишите на info@chiply.ru
| Type | 3VA5195-4EC31-0AA0 |
| Amperage adjustment range (min.) | 15 |
| Amperage adjustment range (max.) | 15 |
| Adjustment range (amperage) | 15 - 15 A |
| No. of pins | 3-pin |
| Switching voltage (max.) | 690 |
| Mounting type | Fixed |
| Min. temperature | -25 |
| Max. temperature | +70 |
| Breaking capacity rating | S |
| OCR type | TM230 |
| IP rating | IP40 |
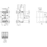
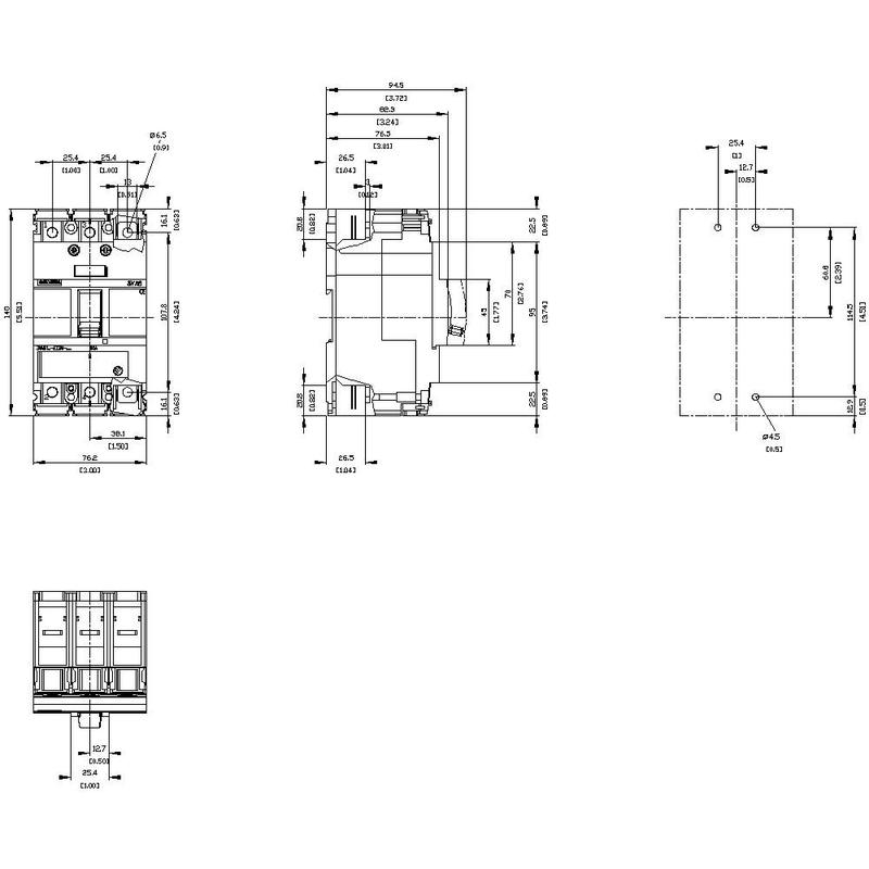
| Depth | 76.5 |
| Width | 76.2 |
| Height | 140 |
| Dim | (W x H x D) 76.2 x 140 x 76.5 mm |
| Content | 1 |
| RoHS-compliant | Yes |
| Number of auxiliary contacts as normally open contact | 0 |
| Number of auxiliary contacts as normally closed contact | 0 |
| Rated permanent current Iu | 15 |
| Number of poles | 3 |
| Overload release current setting | 15-15 |
| Number of auxiliary contacts as change-over contact | 0 |
| Rated voltage | 690-690 |
| Rated short-circuit breaking capacity lcu at 400 V, 50 Hz | 36 |
| Adjustment range undelayed short-circuit release | 150-300 |
| Product type | Circuit breaker |
Наш менеджер свяжется с вами в ближайшее время