Работаем с юридическими лицами, бюджетными организациями, ИП
По вопросам приобретения товара пишите на info@chiply.ru
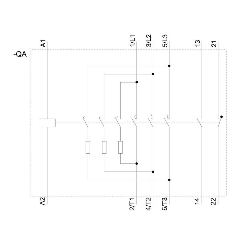
| Type | 3RT2617-1AB03 |
| Type | S00 |
| No. of pins | 3-pin |
| Contact type | 3 makers |
| Auxiliary contact type | 1 maker |
| Control voltage (max.) | 24 |
| Control voltage range | 24 V AC (max) |
| Current load | 10 |
| Power | 49 |
| Mounting type | DIN rail |
| Connection | Screws |
| Electrical lifespan | 300000 |
| Durability | 3000000 |
| IP rating | IP20 |
| Min. temperature | -25 |
| Max. temperature | +80 |
| Width | 45 |
| Height | 125 |
| Depth | 120 |
| Dim | (W x H x D) 45 x 125 x 120 mm |
| Content | 1 |
| RoHS-compliant | Yes |
| Number of normally open contacts as main contact | 3 |
| Number of normally closed contacts as main contact | 0 |
| Number of auxiliary contacts as normally open contact | 1 |
| Number of auxiliary contacts as normally closed contact | 1 |
| Rated blind power at 400 V, 50 Hz | 12.5 |
| Product type | Capacitor bank contactor |
Наш менеджер свяжется с вами в ближайшее время