Работаем с юридическими лицами, бюджетными организациями, ИП
По вопросам приобретения товара пишите на info@chiply.ru
Оплата по безналичному расчету согласно выставленному счету
Самовывоз - бесплатно, от 300руб. до пункта выдачи в Вашем городе, доставка от 500руб. "до двери"
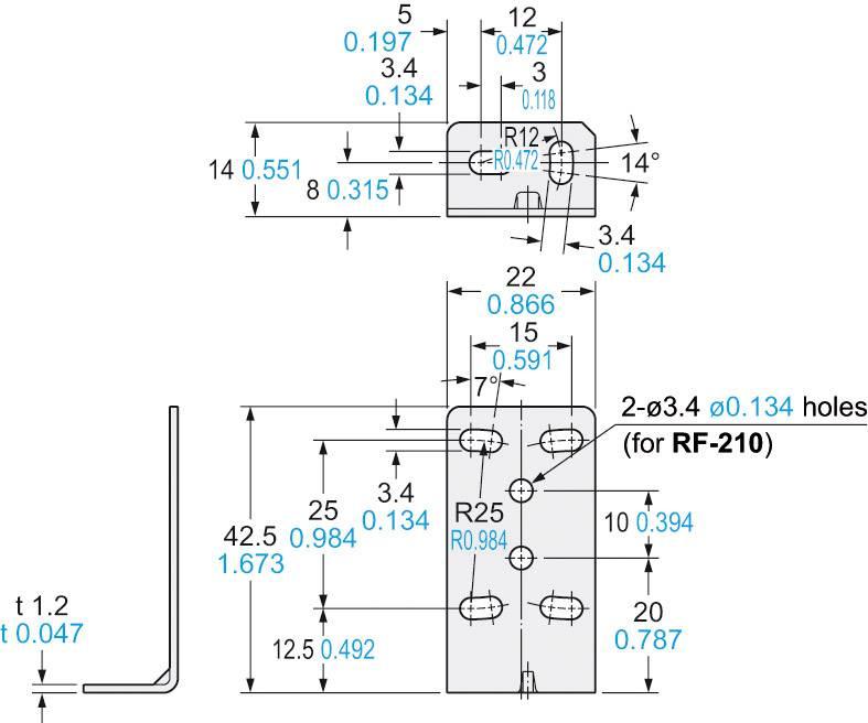
TypeMSCX21
Content1
TypeMounting bracket
TypeMSCX21
Product typeL piece
Наш менеджер свяжется с вами в ближайшее время