Работаем с юридическими лицами, бюджетными организациями, ИП
По вопросам приобретения товара пишите на info@chiply.ru
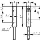
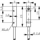
| Type | DW-AD-603-C5 |
| Min. operating voltage | 10 |
| Max. operating voltage | 30 |
| Operating voltage | 10 - 30 V DC |
| Outputs | PNP |
| Cable length | 2.00 |
| Switching distance (max.) | 0.8 |
| Switching frequency | 3000 |
| Connector | Cable, open end |
| Installation type | shielded |
| Size | 5 x 5 mm |
| Enclosure material | Brass |
| Contact type | 1 maker |
| IP rating | IP67 |
| Min. temperature | -25 |
| Max. temperature | 70 |
| Length | 25 |
| RoHS-compliant | Yes |
| Content | 1 |
| Output | PNP |
| Switching frequency | 3000 |
| Type | DW-AD-603-C5 |
| Operating voltage | 10 - 30 |
| Product type | Inductive proximity sensor |
Наш менеджер свяжется с вами в ближайшее время